北京時間09月15日消息,中國觸摸屏網訊,
集創北方發明的顯示驅動系統及顯示面板,通過在每一驅動電路轉發圖像數據之前使顯示數據重新生成,以此減少數據信號的衰減,實現遠距離傳輸。同時,通過增加控制數據,降低了第一組圖像數據受噪聲干擾以及毛刺干擾的概率。
集微網消息,目前,在顯示裝置內部的驅動集成電路通常包括多個級聯的LED驅動電路,顯示裝置通過顯示數據驅動該多個級聯的LED驅動電路,以實現根據顯示數據驅動控制顯示裝置中的各個LED像素單元顯示狀態的目的。
然而,顯示數據通常包括多組圖像數據,在傳輸的過程中,若位于第一組的圖像數據出現毛刺現象,易導致顯示數據被誤讀,使對應的LED驅動電路無法生成正確的驅動信號驅動LED像素單元。
此外,由于驅動集成電路的工藝加工不一致性和應用環境變化等因素,會造成在顯示數據在傳輸過程中脈沖寬度逐漸失真,以至于在驅動集成電路中,級聯的LED驅動電路較多的情況下,會出現顯示數據的脈沖無法表征其所攜帶的數據信息的問題,導致數據傳輸受級聯的LED驅動電路個數的限制,無法實現無限級聯。
因此,為了保證在保證驅動集成電路能夠正常工作的前提下,又能降低圖像數據受噪聲以及毛刺干擾的概率,并保證顯示數據的脈沖寬度不變,集創北方在2022年1月4日申請了一項名為“顯示驅動系統及顯示面板”的發明專利(申請號:202210001692.6),申請人為北京集創北方科技股份有限公司。
根據該專利目前公開的相關資料,讓我們一起來看看這項技術方案吧。

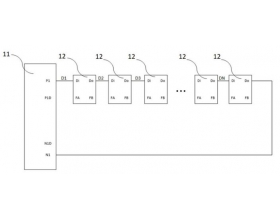
如上圖,為該專利中發明的顯示驅動系統的電路結構示意圖,該顯示驅動系統主要包括多個級聯的驅動電路12。每一驅動電路對輸入的顯示數據解碼,并存儲輸入的顯示數據中的第一組圖像數據,根據存儲的圖像數據驅動與該驅動電路對應的LED像素單元。
在該結構中,多個級聯的驅動電路與數據發送電路電性連接。數據發送電路11通過P1端口與多個級聯的驅動電路的首端以及末端電性連接,且除首級驅動電路外的每一級驅動電路的第一端口Di均與上一級驅動電路的第二端口Do電性連接。
首級驅動電路通過第一端口Di用以接收數據發送電路P1端口發送的顯示數據,除首級驅動電路每一級驅動電路均通過第一端口Di接收上一級驅動電路第二端口Do轉發的顯示數據。驅動電路通過重建顯示數據,將重建后的顯示數據轉發至下一級驅動電路,其可以根據顯示數據中的控制數據的解碼結果,確定驅動電路的工作模式。

如上圖,為上述系統中顯示數據傳輸過程的示意圖,數據發送電路通過P1端口將顯示數據發送至首級驅動電路的第一端口Di,首級驅動電路對該顯示數據解碼。根據解碼結果確定當前工作模式,并存儲顯示數據中的第一組圖像數據,該圖像數據用以驅動與該驅動電路對應的LED像素單元。
首級驅動電路通過驅動電路內部的本地時鐘重建顯示數據,將重建后的顯示數據轉發至下一級驅動電路。其中,顯示數據包括控制數據以及多組圖像數據,重建后的顯示數據包括控制信號以及未被存儲的其他各組圖像數據。
在該方案中,顯示驅動系統通過在每個驅動電路轉發顯示數據之前,先將數據重新生成,以此減少數據信號的衰減、實現遠距離傳輸。同時,該方案通過在顯示數據中第一組圖像數據前增加控制數據,從而降低了第一組圖像數據受噪聲干擾以及毛刺干擾的概率。

如上圖,為該驅動芯片的驅動電路的結構示意圖,該驅動電路包括:數據振蕩器121、數據解碼器122、數據存儲器123以及數據再生器124。其中,數據解碼器根據數據振蕩器輸出的脈沖信號解碼顯示數據,輸出解碼后的顯示數據,解碼后的顯示數據為二進制數據。
數據存儲器存儲解碼結果中的第一組圖像數據,數據再生器獲得未被數據存儲器存儲的控制數據以及圖像數據以重建顯示數據,并通過驅動電路的端口向下一級驅動電路轉發重建的顯示數據。
此外,驅動電路還包括PWM產生器,PWM產生器根據第一組圖像數據的解碼結果,輸出PWM信號。該PWM信號用以驅動對應的LED像素單元,以對被存儲的第一組圖像數據進行顯示。
以上就是集創北方發明的顯示驅動系統及顯示面板,該方案通過在每一驅動電路轉發圖像數據之前使顯示數據重新生成,以此減少數據信號的衰減,實現遠距離傳輸。同時,通過增加控制數據,降低了第一組圖像數據受噪聲干擾以及毛刺干擾的概率。
觸摸屏與OLED網推出微信公共平臺,每日一條微信新聞,涵蓋觸摸屏材料、觸摸屏設備、觸控面板行業主要資訊,第一時間了解觸摸屏行業發展動態。關注辦法:微信公眾號“i51touch” 或微信中掃描下面二維碼關注,或這里查看詳細步驟




